

Pièce d'origine Honda CB650F
Pour Modèles 2014 2015 2016
Kit 22 pièces : Voir Description
UNE QUESTION ? LIRE FAQ - CONTACTEZ-NOUS - Réponse En - De 12 Heures
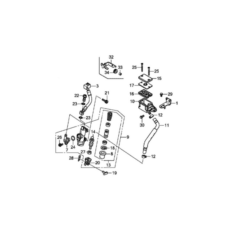
PIÈCES 100% D'ORIGINE - Provenance Direct UsineMaitre Cylindre Arrière Complet Honda CB650F
43511-KV3-831 Reservoir Huile
43512-MJE-D01 Durite
43154-KS6-701 Bague Durite
45513-KK1-771 CouverCle Maitre Cylindre
45520-MG7-006 : Caoutchouc Interne
45521-HA2-006 : Plaque Caoutchouc Interne
2x 93600-0404-01G : Vis Couvercle
43159-MJE-D00 : Support
43313-MJE-D11 : Durite B
43510-MER-D02 : Cylindre
46503-MFG-D00 : Clip
90135-MEL-000 : Vis
90145-MS9-612 : Vis Huile
2x 90545300000 : Rondelle Huile
9420120120 : Clip
960010601207 : Vis
960010601407 : Vis
43316-MJE-DB0 : Support
45161K87L50 : Collier
64312-KWW-640 : Rondelle
Pièce détachée certifié Honda
Vendu dans son emballage d'origine
Références spécifiques
Aucun commentaire pour le moment